Optimising Vertical Drying Range (VDR) Efficiency to Reduce Steam Consumption in Textile Manufacturing
A Vertical Drying Range (VDR) is an essential piece of equipment in textile manufacturing, used to dry woven fabric in an open-width condition. It’s one of the simplest and most cost-effective ways to dry fabric, mainly used for intermediate drying or pre-drying before stentering.
What is a Vertical Drying Range (VDR)?

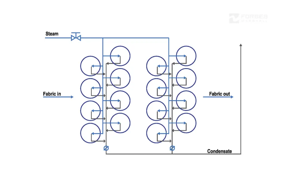
Diagram of Cylinder Drying Process in a Vertical Drying Range (VDR)
A Vertical Drying Range (VDR) consists of multiple steam-heated cylinders. Fabric is passed over these cylinders, where steam is injected at varying pressures (usually between 2 bar g to 3.5 bar g) to provide the necessary heat for drying.
Before entering the VDR, fabric is first passed through a mangle press, which squeezes out excess moisture under pressure, reducing the moisture content. The fabric then moves through the drying cylinders, where heat is transferred via convection, evaporating the remaining moisture and completing the drying process.
Types of Fabrics Processed in VDR
VDR systems are versatile, able to dry a variety of fabrics such as cotton, polyester, and viscose. This flexibility makes it a key component in textile plants that process diverse materials.
Key Factors Impacting VDR Performance
Moisture Content
The moisture percentage of the fabric before entering the VDR significantly influences the steam needed for drying. Higher moisture content means more steam is required to evaporate the water, while lower moisture levels reduce steam consumption.
Steam Pressure
Varying steam pressures are common across different plants, with many operating at pressures up to 5 Bar g. Reducing steam pressure to around 1.5 to 2 bar g helps lower steam consumption and improves efficiency by reducing heat loss.
Grams per Linear Meter (GLM) and Machine Speed
The fabric’s GLM(the weight of fabric per unit length) and the machine’s speed are closely related. Higher GLM fabrics require slower processing speeds, while lower GLM fabrics allow faster speeds. As GLM and speed fluctuate throughout the day, so does the VDR’s throughput, affecting energy consumption.
Table: Parameters generally maintained at textile plants
| Parameter | Minimum | Average | Maximum |
|---|---|---|---|
| Pressure | 0.88 | 2.73 | 4.5 |
| Speed | 15 | 47 | 106 |
| Inlet Moisture % | 20% | 62% | 113% |
| Outlet Moisture % | 0% | 1% | 6.5% |
**Data from 85 VDRs across various textile industries.
Common Issues in VDR Systems
- Higher Surface Area
VDRs are designed to handle different GLM values (e.g., 200 to 400 GLM). When processing fabrics with lower GLM, the increased surface area reduces the drying rate, leading to inefficiencies and lower productivity. - Over-Drying of Fabric
In some cases, the VDR may be oversized for the fabric being processed. This leads to over-drying before the fabric reaches the final cylinder, wasting energy and increasing operational costs.

Graph showing overdrying of cloth in a VDR
- Inefficient Condensate Evacuation
Many plants use a group trapping system to save costs. However, because steam load varies across drying cylinders, a single trap cannot efficiently handle condensate. This leads to issues like **bypass valve openings, leaking rotary joints, and syphon problems. - High Steam Pressure
Operating VDRs at pressures higher than 2 Bar g can result in excess steam consumption due to a loss of latent heat. Optimising steam pressure is key to improving energy efficiency. - Underutilisation of Capacity
When the VDR is not operating at full capacity, it affects the steam-to-water ratio, leading to inefficiencies in energy consumption.
How to Measure VDR Efficiency
The most reliable way to measure VDR efficiency is by looking at the Steam to Water Ratio (SWR)—the amount of steam required to evaporate a kilogram of water. Unlike Specific Steam Consumption (SSC), which can fluctuate with varying moisture content, the Steam to Water Ratio** provides a consistent measure of the system’s efficiency.
Traditional VDR Systems vs. Forbes Marshall’s vdrMAC Solution

Fig: A conventional VDR system
Traditional VDR systems typically use manual steam control and have a single trap for condensate evacuation, leading to inefficiencies. Without proper moisture control, fabric may retain excess moisture, affecting the finish and overall fabric quality.
The vdrMAC Automation Solution from Forbes Marshall

Fig: System optimised with vdrMAC
The vdrMAC system is an advanced automation solution designed to optimise moisture control in VDR systems. With vdrMAC, textile plants can achieve higher drying rates, maintain consistent fabric moisture, and maximise steam savings.
Benefits of vdrMAC:
- Improved Steam to Water Ratio: Higher drying rates lead to better steam utilisation.
- Optimised Capacity Utilisation: The system ensures the VDR runs at maximum permissible speed, increasing productivity.
- Higher Productivity: Faster drying means greater output with minimal energy use.
- Reduced Processing Costs: Energy savings result in lower costs per kilogram of fabric.
Conclusion
The Vertical Drying Range (VDR) is an essential technology for drying a wide range of fabrics in textile manufacturing. By addressing common challenges such as steam consumption, condensate management, and drying rates, textile plants can enhance energy efficiency, reduce costs, and boost productivity. Integrating the vdrMAC solution from Forbes Marshall helps plants optimise their VDR systems, ensuring superior fabric quality, significant steam savings, and better overall performance.
Watch more: Steam Solutions for Vertical Drying Range Machines







